ルームランプスイッチ トヨタ ハイエースバン By マタジ mtj みんカラ
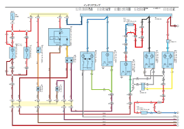
ハイエース レジアスエース 配線図 インテリアランプ
前向きな日々ブログ ハイエース4型のルームランプを改造する フロントスイッチでコントロールす る改造 その2
ハイエースバン5型 ルームランプスイッチ トヨタ ハイエースバン By ゆうにゃんず みんカラ
ハイエース200系スーパーロング4wd ルームランプスイッチ ハイエース新型専門店blog
解明 ハイエースバン ルームランプスイッチ ハイエース新型専門店blog
リア増設ランプ ハイエースのある生活
ハイエース ルームランプスイッチ 配線変更 Trap
前向きな日々ブログ ハイエース4型のルームランプを改造 フロントスイッチでコントロールする改 造 その3
ルームランプスイッチ2 黒ラブ ペコ とキャンプのページ
ハイエース ルームランプスイッチの裏技 ハイエース新型専門店blog
ルームランプスイッチ快適化 トヨタ ハイエースバン By Blues 13579 みんカラ
200ハイエース後期ルームランプスイッチ取り付け Checkman
ルームランプ連動線 全ドア連動 の取り方
ハイエース運転席ルームランプスイッチ補足 Trap
ウェッジのフォトギャラリー Dxとs Glのリアルームランプ配線図 リレーバージョン残照なし トヨタ ハイエースバン みんカラ
ハイエース Dx ルームランプスイッチ スライドドア連動 自己満野郎の部屋